FP-Steuerungen

Von der Warmwasser-Solaranlage bis zur kompletten Heizung

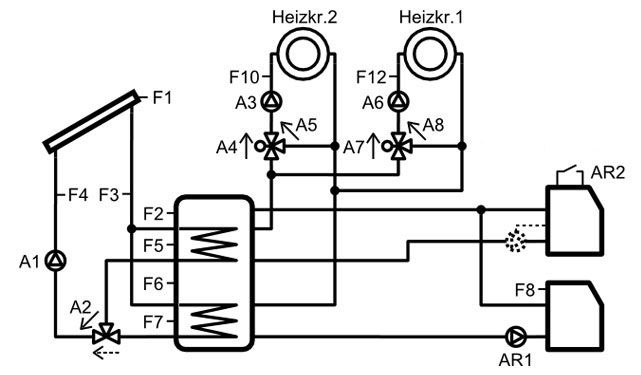
Ein System für viele Anwendungen

Es sind 5 Typen von FP Steuerungen von 1 bis 10 Ausgänge verfügbar.
Die FP Steuerungen können über eine zugehörige PC-Software oder über das Display der Steuerung individuell eingestellt werden.

Für eine Vielzahl an Hydraulikschemen verfügen die Steuerungen über vorprogrammierte Einstellungen, welche direkt an der Steuerung geladen und bei Bedarf auch abgeändert werden können.

Durch die frei Fühlerzuordnung und die flexiblen Funktionen kann mit den FP Steuerungen ein breites Spektrum von Anlagen betrieben werden.
Von der einfachen Warmwasser-Solaranlage bis hin zu komplexen Heizungen mit mehreren Wärmequellen und Heizkreisen ist alles möglich.

Funktionen:

  • Funktionen für Differenz- bzw. Nachladefunktion, Thermostatfunktion bzw. Wärmeanforderung, Verknüpfungen zwischen den Ausgängen bzw. Funktionen
  • Vorrangfunktion für Solaranlagen mit mehreren Kreisen
  • Funktion für Solaranlagen mit 2 unterschiedlich ausgerichteten Kollektorfeldern
  • Tages- und Wochenschaltuhr
  • Außentemperaturabhängige Heizkreisregelung mit Mischer
  • Pumpen-Drehzahlregelung
  • Wärmemengenmessung
  • Integrierter Datenlogger (bei FP1, FP2 und FP3 optional)
  • Großteils freie Fühlerzuordnung
  • Betriebsartumschaltung mit Taste für jeden Ausgang und Anzeige über LEDs
  • Konfigurierbares Menü für Endanwender
    Schemen Beispiele

PC-Software

Über eine serielle Schnittstelle können die FP Steuerungen mit einem PC verbunden werden.
Die Software FP-Line ermöglicht das schnelle und komfortable Einstellen der Steuerung und das Archivieren dieser, sowie das Dokumentieren von Anschlussbelegung und Einstellungen.

Sollten die Temperaturen an der Anlage nicht passen, kann mit Hilfe der Testfunktion der korrekte Betrieb überprüft werden.

Über die Software kann auch der Datenlogger der Steuerung manuell oder automatisiert ausgelesen und ausgewertet werden.
 

Download FP-Line Software